Merilo za zavarene spojeve - 4830, Insize - 0.1 / 0.3mm


Šifra proizvoda: 4830

4 550,00 RSD

Cena je sa PDV-om




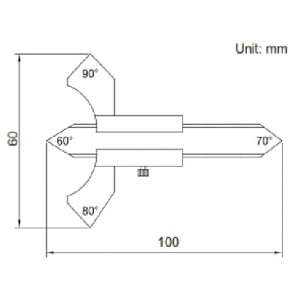
Merilo za zavarene spojeve - 4830,InsizeKarakterisike:* izrađen od nerđajućeg čelika* hromirana površina za očitavanje* pakovanjeravan šav - 0 - 8 mmugaoni šav - 0 - 20 mmugao - 60° / 70° / 80° / 90°tolerancija greške ravan šav - +- 0.1 mmtolerancija greške ugaoni šav - +- 0.3 mmtole ... Detaljnije


Merilo za zavarene spojeve - 4830,Insize
Karakterisike:
* izrađen od nerđajućeg čelika* hromirana površina za očitavanje* pakovanjeravan šav - 0 - 8 mmugaoni šav - 0 - 20 mmugao - 60° / 70° / 80° / 90°tolerancija greške ravan šav - +- 0.1 mmtolerancija greške ugaoni šav - +- 0.3 mmtoleravnija greške ugao - +- 1°

Naziv proizvoda : Merilo za zavarene spojeve - 4830, Insize - 0.1 / 0.3mm

Šifra proizvoda : 4830

Proizvođač : Insize

Uvoznik : Unior Teos Alati d.o.o

Zemlja porekla : Kina

Nastojimo da budemo precizni u opisu proizvoda, slika i cena, ali moguće je da informacije nisu kompletne i adekvatne.
Artikli prikazani na sajtu su deo naše ponude i ne podrazumeva se da su dostupni u svakom trenutku.
Ako ste našli grešku u opisu ili grešku u tehničkim podatacima, javite nam, hvala Vam.